Plumbing Pro Replaces His Home's HVAC with Combi-Boiler/Air Handler Technology
By Gail Johnson
HERRIMAN, UT — I should start this article about my recent home-improvement project with several disclosures: I’m not your average homeowner. In fact, I’ve worked in the plumbing industry in Salt Lake City, my hometown, for more than 22 years. I trained and worked with the tools as a plumber for five years, then worked in plumbing wholesale distribution for a little over a decade.
Almost five years ago, I joined Noritz America as a regional sales manager, calling on wholesalers and contractors in Utah and Idaho. In February 2020, I was promoted to National Account Manager, managing Noritz’s relationships with the various contractor “success groups,” such as Nexstar, Authority Brands, and Service Roundtable. Meanwhile, I still call on the wholesale channel in my home state and Idaho.
Then again, in some other ways, I am pretty average. My wife, son and I live in a 2,900-square-foot home with four bedrooms and 2.5 baths on three levels. We’re in the process of finishing the basement now, and when completed, we will have a fifth bedroom and a third bathroom. Our home was built in 2012 and we are the first and only owners.
What Was
Our home’s original forced-air heating and air conditioning system, installed by the builder, was a three-ton, 80,000-Btu heating/42,000-Btu cooling unit that included a single-stage burner and a 110-volt, single-stage blower motor. Domestic hot water was supplied by a separate system, a Noritz EZ111 condensing tankless water heater, which worked perfectly fine.
At nine years old, the HVAC system had already required a couple of major repairs. But more importantly, being in the industry, I knew that heat exchangers tend to crack and fail after a decade of regular usage.
When an older exchanger cracks, it begins releasing flue gases into the home. Those gases get pulled back into the system and recirculated via the return ductwork, ultimately being reignited inside the furnace. That's when carbon monoxide is generated—definitely a serious, possibly life-threatening problem.
In addition, our humidifier had failed a year and a half ago. When its motor burned out in the middle of the night, the house filled with smoke as well as the smell of something burning. Of course, I was traveling on business, so my wife had to deal with an emergency service call that involved merely unplugging the humidifier.
This chain of events convinced me we needed to make a pre-emptive change in February 2021 before the situation worsened—from the standpoint of both economics and a health.
What Came Next
● I was looking for energy efficiency significantly higher than the 80 percent of most furnaces.
● I wanted to replace the 110-volt blower motor with one that modulates in response to demand to save on electrical bills.
● Finally, I definitely wanted to eliminate a heat exchanger that could crack and leak carbon monoxide into my home.
Throughout my plumbing industry career, I had seen combination, gas-combustion boilers used effectively with air handlers for space heating in the Northeast, the Pacific Northwest and in Canada. I knew this would be a great fit for my home as well.
After looking at our heating and domestic hot water needs, as well as the existing forced-air setup, we settled on a combi-boiler and an air handler. The equipment we installed includes the following:
● The Noritz NRCB199-DV-NG Residential Condensing Gas Combination Boiler for both space heating and domestic hot water. Not only would this combi-boiler provide all the heat my family required, even in the dead of winter, but our DHW flow rates would also be the same as with the EZ111—and at a much higher efficiency level, at 95 percent AFUE, than with the old furnace. In this upcoming, 2021-2022 heating season, I expect to see a 20 percent savings on my gas bill because of that efficiency improvement.
● Because it would have been cost-prohibitive to scrap the existing ductwork, we decided to go with a High Velocity LV-Z-1750 air handler to distribute space heating through our home. Made by a Canadian company, it has an ECM motor that can be adjusted from 3 tons to 5 tons. With its small size and that adjustability, it will work in about 95 percent of the homes in Utah. In short, it’s a one-size-fits-all unit that also is equipped with a built-in water coil that made our installation a snap. Depending on the CFM and water temperature, the unit provides 38,000 BTU to 112,000 BTUs of heat—more than meeting our needs.
The heating side works great for us. It is much more quiet than the system that was installed before. Meanwhile, during the installation of the combi and the air handler last February, the condenser coil was added back on to the top of the latter to provide cooling.
I saw no need to install a new humidifier: Switching to hydronic heat, I figured, would automatically add its own humidity to my house. And I was correct. Through both last winter, spring and the first half of this summer, the humidity levels have stayed between 30 and 37 percent. That’s exactly where we want them to be.
The entire install job was completed in one day in about eight hours. I plumbed and vented the combi-boiler, and one of my best friends—a local contractor who does HVAC installation and service work—pulled the furnace, modified the ductwork and installed all the controls. Easy peasy.
How It Works
The combi-boiler generates hot water at 160°F, circulating it at two to three and a half gallons per minute to the coil. The water then returns to the combi at about 145°F.
Consequently, the combi needs to raise the return water temperature by only 15 degrees, from 145°F to 160°F, so we burn only about 20,000 to 40,000 Btu to keep the water at the desired temperature for space heating. Compare that range with our old furnace that was burning 80,000 Btu all the time during the heating season.
A couple of additional points—
Fan-speed adjustments: I do not have the ECM motor set up the way it should be — yet. As I said, the air handler is a variable speed system whose blower can range from three tons to five tons. But with the initial installation, we chose to set the fan speed at a single, constant level, based on how many CFMs we wanted to push through the upper levels of the house, while we continued to work on renovating the basement. The lower level is equipped with three ducts that are currently blocked. Once the basement is finished, we will adjust the ECM again, boosting air flow to condition the basement air as well.
I know some installers have the blower operating continuously at a very low speed, so that air is always circulating. But that would trigger my air cleaner to operate most of the time, consuming energy unnecessarily, so I decided not to do that.
Outdoor reset: We are utilizing the outdoor reset settings with the unit as well. This sensor measures the ambient temperature of the outdoors and signals the boiler to heat the water to the appropriate temperature to warm the house.
During the first few months, in late winter and early spring, I would monitor the boiler regularly. On those mornings when the outside temperature was around 15°F, the water would come off the combi-boiler at 176°F. On warmer mornings, between 40°F and 50°F, the boiler would fire to only 145°F to 150°F. By not overheating the water, I know we are saving significant energy. Dialing in only the amount of heat that is truly needed will help lower our gas bill.
Space Heating + DHW = No Problems
Moving to a single gas appliance to both heat the home and supply DHW has worked out great. We can take showers and heat the home at the same time without any sacrifice in comfort or efficiency. In fact, I tested it one cold day last winter, turning on not just one, but two showers, and the system continued to comfortably heat the house.
The air handler does have a dip switch you can flip to kick up the boiler temperature to make sure both systems will work satisfactorily at once. But I have not used it yet. We have not noticed any difference in the heat coming from the registers when we are using DHW: The combi-boiler delivers the same flow rates and constant temperatures that our tankless unit formerly delivered (although I will eventually reconnect my EZ111 to double our DHW capacity).
Next winter will be an even tougher test when the outdoor temperatures do their customary drop below 0°F. Our water can get as cold as only 40°F, and I have seen water temperatures as low as 33°F, so maybe I will flip that switch yet. But remember, these combi boilers are used throughout Canada. In Edmonton this past winter, for example, it got down to -40°F at night, and the combi-boilers worked just fine in the same type of application as mine.
I simply do not foresee simultaneous space heating and DHW ever being an issue.
What’s Next?
The combi boiler product category is growing, thanks to the higher efficiencies and the higher DHW flow rates this technology can routinely deliver. Besides coupling it with an air handler, as I am doing, the system can work with baseboard hydronic heating, low-mass or high-mass hydronic radiant floor heating, radiators, snow melt applications, and so forth.
Many home builders and plumbing contractors know that the combi-boiler is a better solution for space heating and DHW. The challenge is the price difference when compared with conventional, builder-grade space and water heating systems. Fortunately, there are substantial rebates in many markets: Here in Utah, a builder can receive $650 for installing a combination boiler.
That’s why I am using my own home as a kind of living model for my customers — trying to demonstrate the correct way to install these combi boiler-air handler systems without fudging the process just to save a few dollars.
It’s a struggle, but if the building industry can make it easier by putting together packages and qualifying for rebates, I think combi technology could really take off.
Gail Johnson currently serves as a national account manager for Noritz America, based in the Salt Lake City area. He can be reached via email at: [email protected].
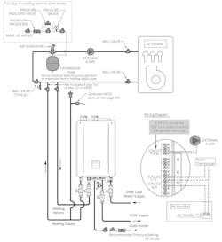
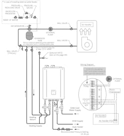
Sidebar: Installation Components
These are the parts that I used on the installation of the NRCB combi-boiler (from left to right, starting with top row):
● Noritz MK-NRCB-1 Manifold Kit: This made piping the closely spaced tee very easy.
● Flow Sensor/Balancing Valve: Not necessary but was added for testing.
● Spirovent/Air Separator. Expansion tank is added to this as well.
● Backflow-PRV for Auto Feed: I utilized the auto feed on the unit.
● Grundfos 15-58 Pump: My system pump is wired to the NRCB Board.
● Dual Temperature Sensor: This is not necessary, but it was nice to add so I can see temp before the coil and after the coil.




